![]() |
2660
|
|
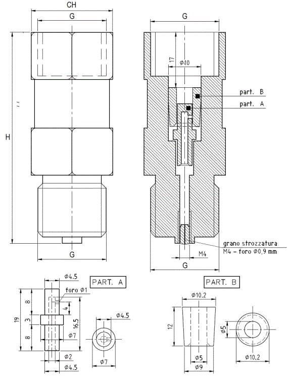
Manometri - Accessori - Ammortizzatore a spillo ottone
ApplicazioneProteggono lo strumento da colpi d'ariete. Uno spillo mobile chiude il passaggio durante gli shock di pressione. Modello2660 DescrizioneAmmortizzatore di pressione a spillo in OTTONE nichelato EsercizioPN400 Varianti1/4", 3/8", 1/2" GAS Opzioni prodotto | |

