Le filettature in ambito manometri
Le filettature rappresentano uno degli elementi fondamentali nei sistemi di connessione meccanica. La loro funzione non si limita al semplice accoppiamento tra componenti, ma coinvolge aspetti cruciali come la tenuta, la sicurezza e l’affidabilità dell’intero sistema.
Nel settore dei manometri, la filettatura assume un ruolo ancora più critico: è il punto di interfaccia tra lo strumento di misura e il processo. Da essa dipendono la corretta installazione, la stabilità meccanica e, soprattutto, l’assenza di perdite nel circuito in pressione.
La scelta del tipo di filettatura, cilindrica o conica, con tenuta su guarnizione o sul filetto, deve quindi essere effettuata con attenzione, tenendo conto delle necessità costruttive, della praticità di montaggio e delle condizioni di esercizio.
Una conoscenza approfondita delle diverse tipologie di filettature e delle relative norme consente di evitare errori di accoppiamento, garantire la sicurezza operativa e assicurare prestazioni affidabili nel tempo.
Nel settore dei manometri a molla Bourdon, la norma EN 837-1 disciplina dimensioni, requisiti metrologici, prestazioni e, per quanto qui interessa, anche le connessioni di processo.
1. Inquadramento generale
Nel mondo dei manometri le filettature si dividono in due grandi famiglie:
- Filettature cilindriche, da accoppiamento meccanico, nelle quali la tenuta non si realizza sul filetto ma su una guarnizione, una faccia piana, un O-ring o una lente di tenuta;
- Filettature coniche, da tenuta sul filetto, nelle quali la tenuta si ottiene direttamente con l’interferenza tra i filetti, spesso con ausilio di sigillante o PTFE.
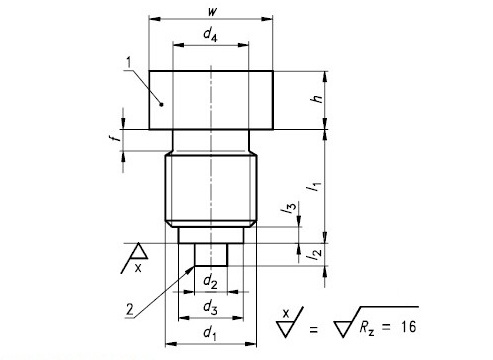
Un filetto è composto da: Passo, Angolo di profilo, Diametro interno, Diametro esterno, diametro medio, fondo, cresta e fianco.
2. GAS cilindrico - BSPP
Nel linguaggio tecnico italiano, la dicitura “Gas cilindrico” corrisponde normalmente alla filettatura G, cioè la BSPP (British Standard Pipe Parallel).
La norma di riferimento è ISO 228-1, che definisce filettature per tubi parallele, interne ed esterne, destinate al montaggio meccanico e non idonee di per sé alla tenuta sul filetto. La stessa ISO 228-1 chiarisce che, se serve la tenuta, questa deve essere realizzata tramite superfici di serraggio esterne al filetto e interposizione di una guarnizione appropriata.
Caratteristiche principali sono: profilo Whitworth a 55°; filetto cilindrico / parallelo;
È una delle soluzioni più comuni in Europa. EN 837-1 la richiama espressamente come filettatura standard per i gambi filettati paralleli dei manometri.
Designazioni tipiche sono G 1/8, G ¼, G 3/8, G ½
3. GAS conico o BSPT
Con “Gas conico” si indica di regola la famiglia BSPT, oggi normalizzata da ISO 7-1 per le filettature per tubi dove la tenuta avviene sul filetto. Nel testo di EN 837-1 i filetti conici sono indicati con la lettera B.
ISO 7-1 distingue:
- R = filetto MASCHIO conico,
- Rc = filetto FEMMINA conico,
- Rp = filetto FEMMINA cilindrico per giunto a tenuta sul filetto con maschio conico.
Caratteristiche principali: profilo Whitworth a 55°; conicità del filetto; tenuta ottenuta sul filetto stesso, di norma con sigillante, pasta o PTFE;
4. NPT
La filettatura NPT (National Pipe Taper) è la corrispondente famiglia conica di matrice statunitense.
La norma di riferimento è ASME B1.20.1, che copre le filettature pipe inch più diffuse, compresa appunto la NPT.
Caratteristiche principali: filetto conico; tenuta sul filetto; richiede normalmente sigillante o nastro PTFE; tipico del mercato USA e di molta strumentazione destinata all’export.
A differenza del filetto GAS conico (BSPT) ha un profilo differente, a 60°; inoltre ha un passo diverso eccetto nella misura da ½” dove il passo è lo stesso.
Per questo motivo NPT e BSPT non vanno accoppiati come se fossero intercambiabili.
Altre tipologie di filettature
5. SAE (UNF)
Qui conviene distinguere bene due cose:
a) UNF come forma di filetto
UNF (Unified National Fine) appartiene al sistema di filettature unificate in pollici, governato da ASME B1.1, che definisce forma del filetto, serie, classi e tolleranze delle filettature UN / UNR / UNJ.
Quindi UNF non è una filettatura “pipe” come G, BSPT o NPT, ma una filettatura meccanica in pollici.
b) SAE come connessione strumentale/idraulica
Nel settore idraulico e strumentale, quando si parla di SAE si intende spesso una filettatura diritta UNF usata insieme a una tenuta elastomerica, tipicamente con O-ring.
Un caso tipico è la connessione SAE-7/16-20 straight thread, usata su alcuni manometri in ambito gas refrigeranti.
In questi collegamenti SAE: il filetto serve soprattutto al serraggio e la tenuta avviene sull’O-ring o sulla sede dedicata. la compatibilità dipende non solo dal passo/filetto, ma anche dalla sede di tenuta SAE.
6. Filettature metriche
Le metriche non sono la soluzione “classica” richiamata come principale da EN 837-1 per la connessione di processo standard dei manometri Bourdon, ma la stessa EN 837-1 ammette che altre filettature specifiche di certi settori possano essere utilizzate.
Questo significa che una connessione M10x1, M12x1.5, M14x1.5, M20x1.5, ecc., può esistere su strumenti o adattatori, ma va considerata come soluzione specifica di prodotto o di settore
Le filettature metriche ISO sono governate principalmente da:
ISO 261 per il piano generale delle misure nominali e dei passi;
ISO 965-1 per il sistema di tolleranze;
con profilo base richiamato da ISO 68-1 e dimensioni base da ISO 724.
Caratteristiche principali: profilo a 60°; filetto cilindrico; impiego tipico come filettatura meccanica generale; la tenuta non è ottenuta sul filetto.
FAQ
Differenza tra GAS Conico e GAS cilindrico
Sebbene abbiano lo stesso numero di filetti (passo) la GAS CILINDRICA (BSPP British Standard Pipe Paralel) garantisce la tenuta dalla base del filetto, solitamente con una guarnizione. Il filetto gestisce la forza che preme questa base. È regolata a livello mondiale dalla normativa ISO 228-1.
La GAS CONICA (BSPT British Standard Pipe Tapered) è regolata dalla normativa EN 10226-1. In questo caso la tenuta è garantita dalla conicità del filetto. Come un cuneo il filetto maschio preme sulla femmina. Anche qui è prassi usare un sigillante (Teflon, canapa, sigillanti liquidi, etc).
Differenza tra GAS e NPT
In entrambi i casi la tenuta è garantita dal cuneo del filetto tramite l’aiuto di sigillanti (Teflon, canapa, sigillanti liquidi, etc), la differenza sta nel numero di fietti.
Alla base della loro differenza vi sono le norme di riferimento. Le filettature GAS rispondono a norme maggiormente utilizzate in Europa mentre quelle NPT rispondono a norme maggiormente utilizzate nei paesi anglosassoni.
Posso intercambiare GAS con NPT?
La risposta ufficiale è no. Gas e NPT hanno logiche diverse sia per passo che per forma della tenuta. Ufficiosamente il 1/2” NPT può essere montato sul 1/2” GAS e il 1/2” GAS conico MASCHIO può essere montato sull’NPT perché il passo è lo stesso e in entrambi i casi va aggiunto un sigillante.
Categorie prodotti
Cerca il tuo prodotto

Natale 2025 - Sempre più buono
Si rinnova la nostra tradizione di aiutare chi aiuta
Ecco perché scegliamo di destinare i fondi destinati ai cesti natalizi verso associazioni di volontariato, ricerca ed assistenza:
- LILT che aiuta concretamente la prevenzione,
- AIRC che continua il suo impegno nella ricerca per la cura del cancro e diffonde risultati e prospettive di cura,
- Lega del Filo d'Oro in aiuto alle persone sordocieche,
- Maisha Marefu che sostiene diverse comunità in Africa.
- Vidas la cui missione è curare chi non può più guarire
Per la BART un Natale senza panettoni, cesti e regali, ma pieno di speranza!
Buon Natale a tutti e grazie di cuore della vostra partecipazione

Aggiornamento ATEX 2014/34/UE
Ricevuta TÜV IT 23 ATEX 0122 AR

FEDERTEC
Sai che la Bart fa parte della famiglia Assofluid - FEDERTEC?
Per noi vuol dire restare sempre aggiornati sugli aspetti normativi, tecnici, economici e legislativi nonché di carattere fiscale e doganale dell'intera filiera.
Per te è garanzia sempre maggiore di qualità, avanguardia, sicurezza e affidabilità dei nostri prodotti.
Sempre dalla parte dei clienti, sempre un passo avanti. Verso il futuro insieme.

Sezione di CHIMICA del MUSEO DELLA SCIENZA
La BART ha collaborato all'allestimento di una teca all'interno della sezione di Chimica di Base del museo Leonardo da Vinci di Milano
Sito MUSEO